yituLogo
当前的位置:首页 > 室内CAD图纸 > cad > 机电设备 > 建筑电气施工图 > 疗养院电气消防施工图CAD图纸

图纸介绍

             空间划分:成套机电设备                                                                                  图纸深度 :施工图

            类型:建筑电气                                                                                                  图纸格式:DWG

资料为:疗养院电气消防施工图

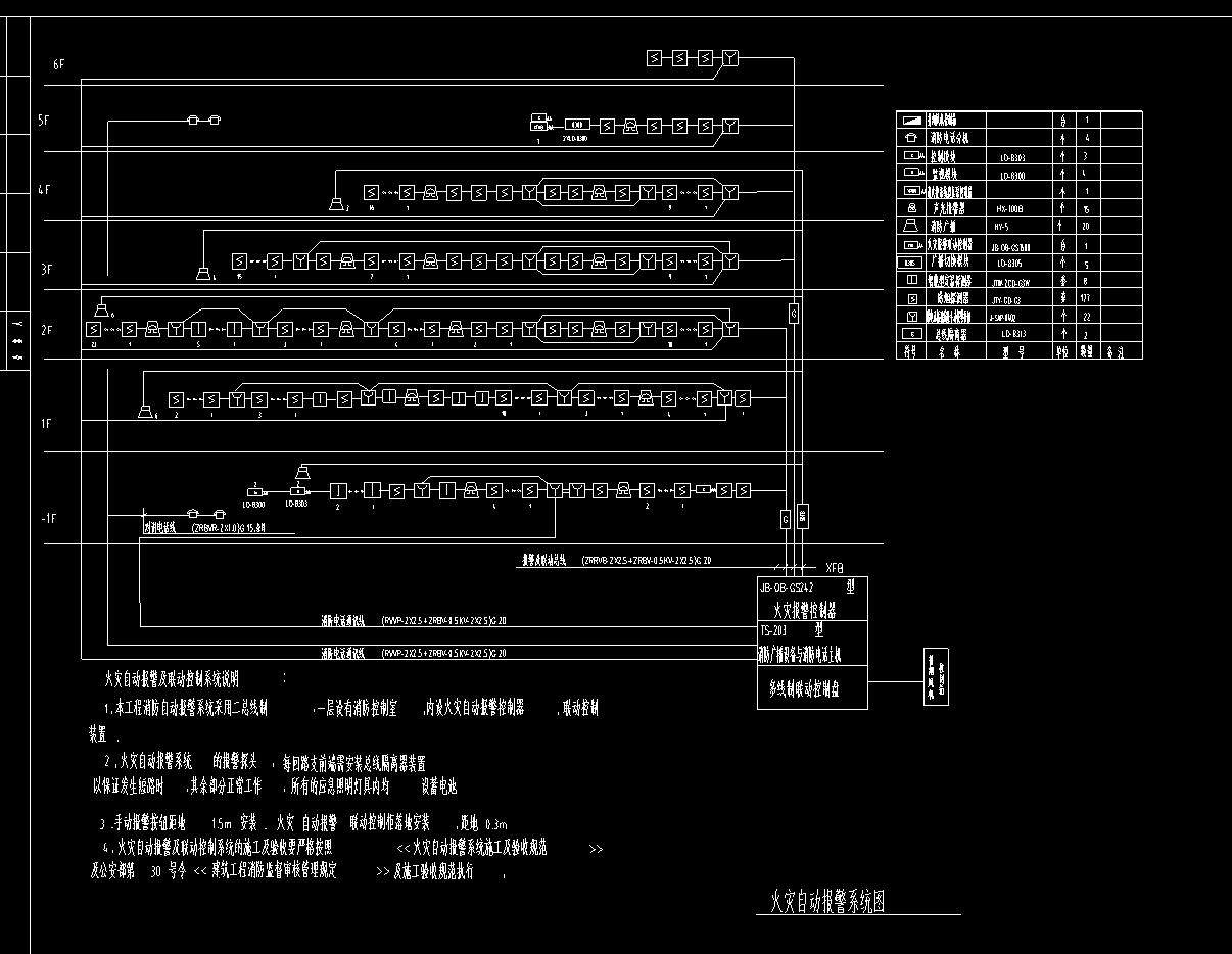
资料内容包括:全套施工图、一层火宅自动报警平面图、四层火宅自动报警平面图、三层火宅自动报警平面图、二层火宅自动报警平面图、等。空间设置合理规范,具有较高的参考价值,可作为参考学习的模板,供设计师、师下载参考。

部分图纸展示如下:

二层火宅自动报警<a href=https://www.yitu.cn/su/7392.html target=_blank class=infotextkey>平面</a>图.jpg

 

二层火宅自动报警平面

 

三层火宅自动报警<a href=https://www.yitu.cn/su/7392.html target=_blank class=infotextkey>平面</a>图.jpg

 

三层火宅自动报警平面

 

四层火宅自动报警<a href=https://www.yitu.cn/su/7392.html target=_blank class=infotextkey>平面</a>图.jpg

 

四层火宅自动报警平面

 

一层火宅自动报警<a href=https://www.yitu.cn/su/7392.html target=_blank class=infotextkey>平面</a>图.jpg

 

一层火宅自动报警平面

 

缩略图.jpg

 

缩略图

疗养院电气消防施工图CAD图纸

ID:94427
软     件:sketchup 大     小:0.80MB 上 传 时 间:20220729 消 耗 积 分:10
  • 收藏 ()
  • 评论 ()
  • ⚠图纸报错

qianqian 普通会员

关注
  • 户外垃圾桶
  • 户外垃圾桶
  • 户外垃圾桶
图纸使用权利说明:

会员在本站下载的原创CAD图库后,只拥有CAD图库的使用权,著作权归原作者及易图网所有。未经合法授权,会员不得以任何形式发布、传播、复制、转售该CAD图库。特别地,不得擅自以易图网名义或使用"易图"、"易图网"(本站注册商标)名称发布、复制、转售所下载的CAD图库,由此给本站造成损害的,本站将依法追究其相关法律责任。

友情链接 热门模型 免费模型