yituLogo
当前的位置:首页 > 室内CAD图纸 > cad > 景观园林 > 园林 > 屋顶花园施工图设计

图纸介绍

 文件格式:rar                                  文件大小:3.40MB

貌:绿                                绿类型:园林绿

设计风格:现代风格                     图纸格式:JPG

内容简介:

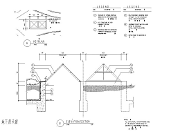
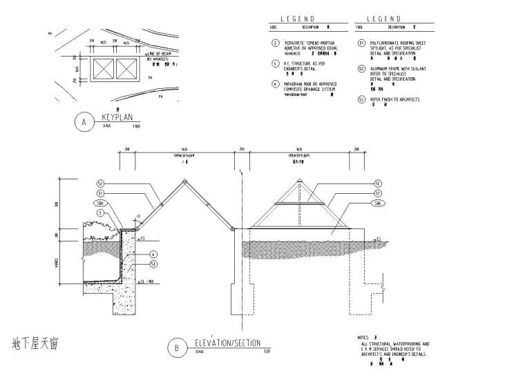
景观细部施工图—屋顶园施工图设计。屋顶园不但降温隔热效果优良,而且能美化环境、净化空气、改善局部小气候,还能丰富城市的俯仰景观,能补偿建筑物占用的绿化面,从而提高了该城市绿化覆盖率,是一种值得大力推广的屋面形式。

 

 

屋顶<a href=https://www.yitu.cn/sketchup/huayi/index.html target=_blank class=infotextkey>花</a>园详图一

 

屋顶园详图一

 

屋顶<a href=https://www.yitu.cn/sketchup/huayi/index.html target=_blank class=infotextkey>花</a>园详图八

 

屋顶园详图二

 

屋顶<a href=https://www.yitu.cn/sketchup/huayi/index.html target=_blank class=infotextkey>花</a>园详图二

 

屋顶园详图三

 

屋顶<a href=https://www.yitu.cn/sketchup/huayi/index.html target=_blank class=infotextkey>花</a>园详图六

 

屋顶园详图四

 

屋顶<a href=https://www.yitu.cn/sketchup/huayi/index.html target=_blank class=infotextkey>花</a>园详图七

 

屋顶园详图五

 

屋顶<a href=https://www.yitu.cn/sketchup/huayi/index.html target=_blank class=infotextkey>花</a>园详图三

 

屋顶园详图六

 

屋顶<a href=https://www.yitu.cn/sketchup/huayi/index.html target=_blank class=infotextkey>花</a>园详图四

 

屋顶园详图七

 

屋顶<a href=https://www.yitu.cn/sketchup/huayi/index.html target=_blank class=infotextkey>花</a>园详图五

 

屋顶园详图八

屋顶花园施工图设计

ID:15718
软     件:sketchup 大     小:3.40MB 上 传 时 间:20191023 消 耗 积 分:30
  • 收藏 ()
  • 评论 ()
  • ⚠图纸报错

strawberry 普通会员

UI社UI社UI社UI社UI社UI社UI社UI社UI社UI社UI社UI社UI社
关注
SU模型、3D模型、贴图、材质、CAD施工图素材:

su模型,su素材库,3d模型,3d模型库,3d模型下载,3d模型素材,3dmax模型免费下载,cad施工图纸,3d材质贴图,沙发SU模型,椅凳SU模型,柜类SU模型,厨卫SU模型,3D沙发模型,3D陈设饰品,3D柜类模型,3D家装空间,家装CAD图纸,CAD图库,CAD节点详图,橱柜衣柜CAD图纸,CAD施工图,居住建筑效果图,工业建筑效果图,公共建筑效果图

友情链接 热门模型 免费模型